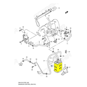
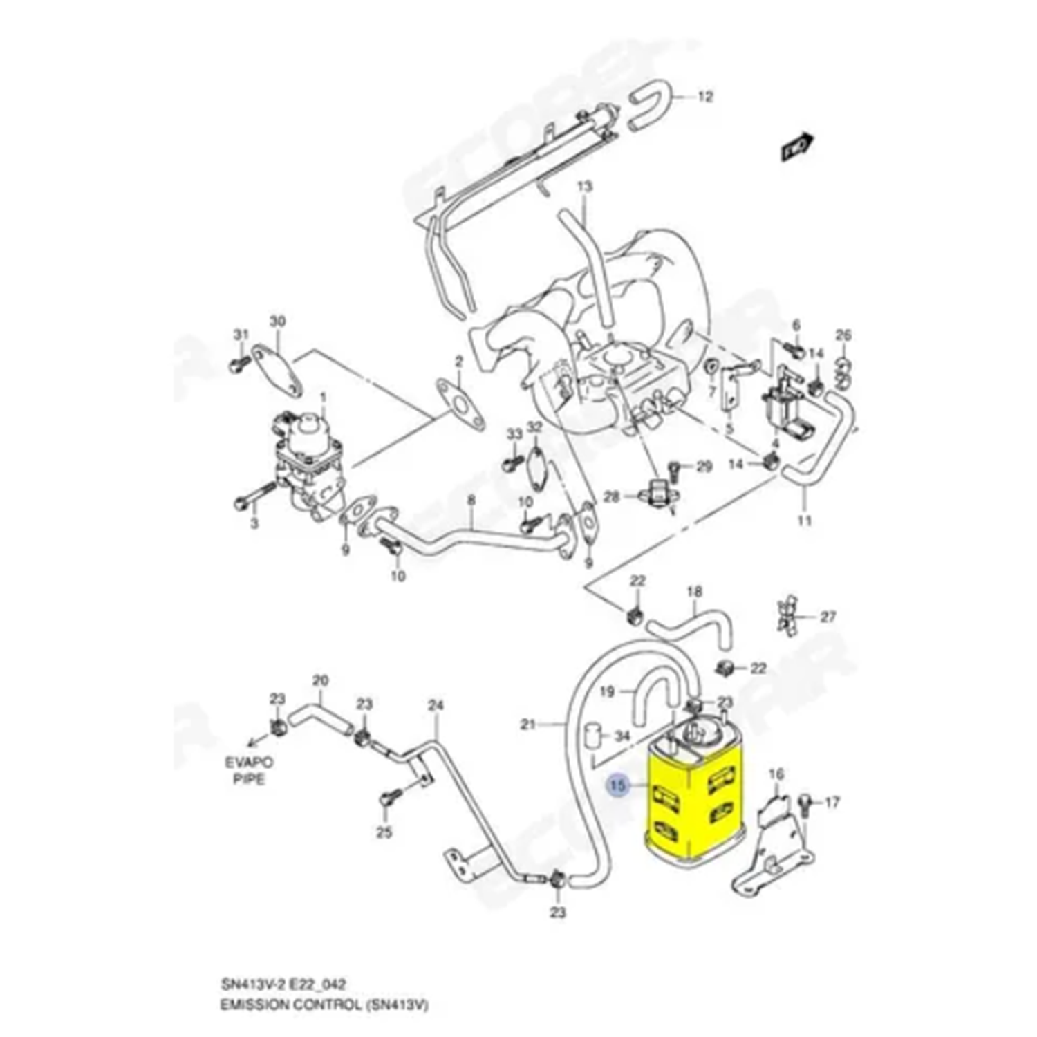
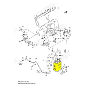
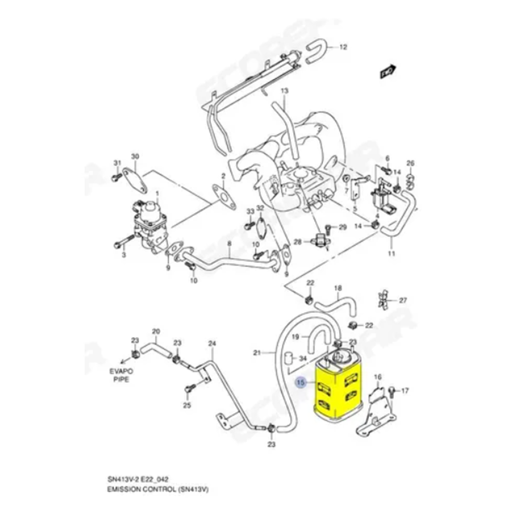
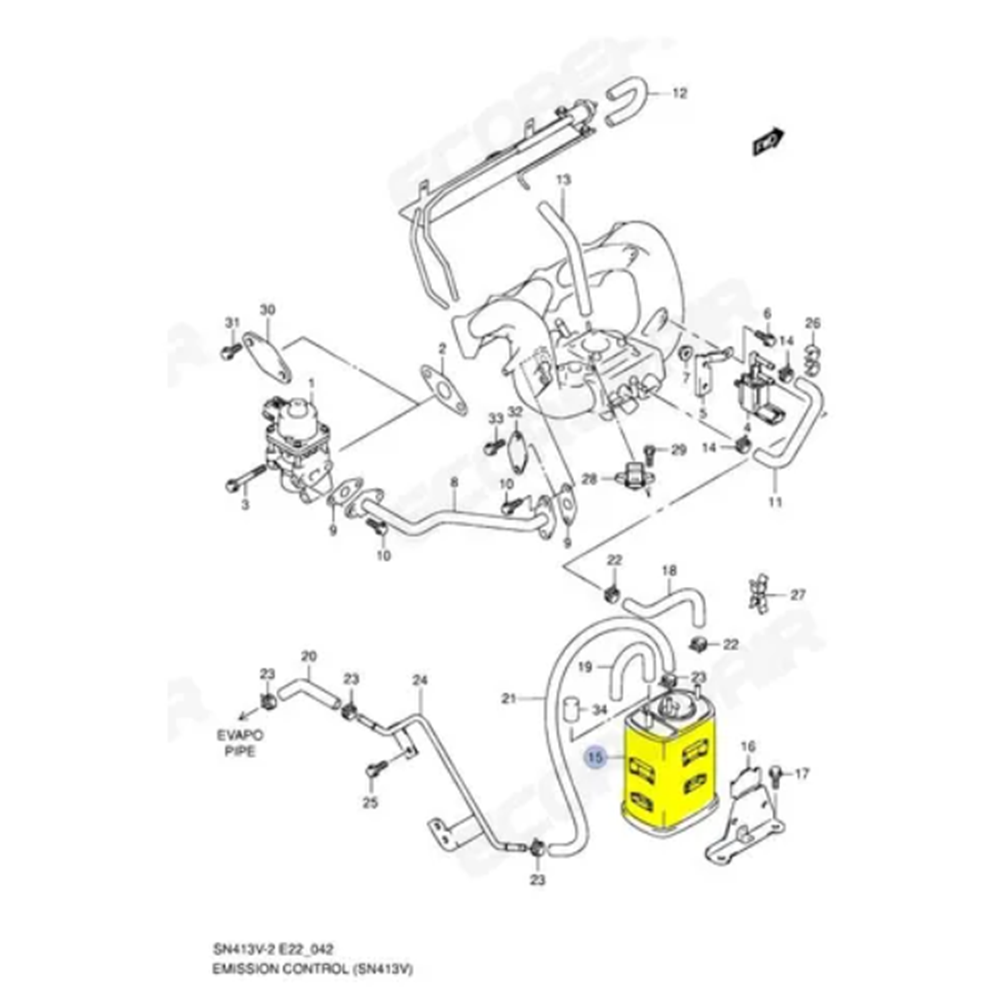
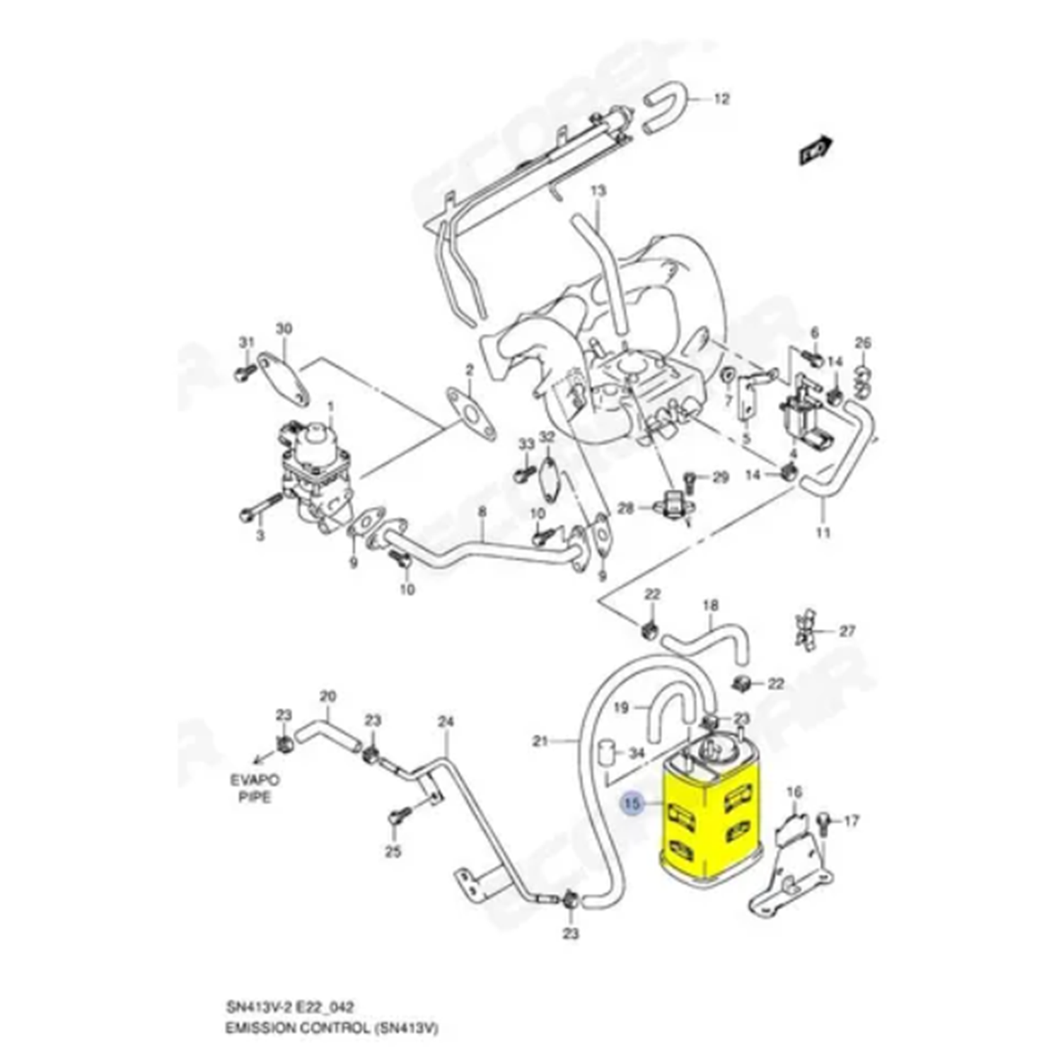
Suzuki Jimny 06-15 Hava Bekletme Deposu
ürün %100 Suzuki Genuine Parts tır.
Uyumlu Araçlar:
Suzuki Alto 1.0 k10B 2015-2018
sUZUKİ Every Ge306
Suzuki İGNİS M13A RG413
Suzuki Jimny M13A M15A
Suzuki Swift 2002-2003 16v g13bb
Suzuki Swift M13A M15A 2005-2010
Suzuki Wagon R M13A
Kullanacağınız kredi kartının ticari veya bireysel olması durumuna göre taksit seçenekleri değişebilir. Taksit seçenekleri liste fiyatı üzerinden görüntülenmektedir. İndirimli fiyatlara göre taksit seçeneklerini ödeme sayfasından görüntüleyebilirsiniz.